Projetos, Instalação e Manutenção de Para-Raios
Projetos, Instalação e Manutenção de Sistemas de Para-raios

Projeto e Instalação de DPS -
Dispositivos de Proteção contra Surtos Elétricos

A Prelserv Engenharia é uma empresa especializada na concepção e implementação de soluções eficaz na instalação de DPS na sua empresa.

1. Expertise:  possui uma equipe de engenheiros e técnicos altamente qualificados e experientes em sistemas de proteção contra surtos. A nossa experiência significa que podemos projetar e instalar sistemas de DPS que atendam efetivamente às suas necessidades específicas.

2. Cumprimento das Normas:  Temos um compromisso estrito com a conformidade com todas as normas técnicas relevantes. Nosso trabalho é sempre realizado de acordo com as normas brasileiras, garantindo que o seu sistema de DPS seja seguro, eficaz e em conformidade com todos os requisitos legais.

3. Serviço Completo: Além de projetar e instalar o DPS, também oferecemos serviços de manutenção e inspeção, para garantir que o seu sistema continue a funcionar eficazmente ao longo do tempo.

Projeto e Instalação de DPS
1. O que é surto elétrico?

Um surto elétrico refere-se a um evento de curta duração em que ocorre um aumento repentino e transitório da tensão elétrica em um sistema elétrico. Esse aumento pode ocorrer devido a diversas causas, como descargas atmosféricas, manobras na rede elétrica, operação de equipamentos de alta potência ou até mesmo falhas internas em dispositivos elétricos. 

Durante um surto elétrico, a tensão no sistema pode exceder os níveis normais de operação, o que pode resultar em danos aos equipamentos conectados a esse sistema. Esses danos podem variar desde a falha de dispositivos eletrônicos sensíveis até a deterioração de componentes elétricos e até mesmo incêndios. Portanto, para proteger os equipamentos e sistemas elétricos contra os efeitos prejudiciais dos surtos elétricos, é importante utilizar dispositivos de proteção contra surtos, como os Dispositivos de Proteção contra Surtos (DPS). 
proteção contra surto elétrico
2. Como um DPS funciona? 

Para proteger a rede elétrica e os demais equipamentos antes citados dos surtos, os dispositivos atuam com um desvio da descarga para o sistema de aterramento. O processo é rápido, ocorre em apenas uma fração de segundo, por isso o disjuntor nem detecta a fuga da corrente. Para exemplificar ainda melhor o funcionamento de um DPS, o que ocorre é uma espécie de fechamento de curto entre fase e terra, sem que isso seja prejudicial à instalação elétrica. Entretanto, assim como quase tudo na vida, esse dispositivo também tem vida útil, sendo necessária sua substituição depois de um tempo de uso.

Para que a proteção continue a acontecer, então, é preciso, além de seguir a Norma Regulamentadora 5410 (para evitar a queima do próprio DPS), contar com a ajuda de disjuntores, chamados de dispositivos de desconexão. Assim, se a proteção contra surtos falhar, o disjuntor será desarmado, impedindo a fuga da corrente.
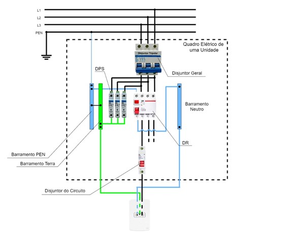
3. Onde instalar um DPS?

Na hora de planejar seus projetos arquitetônicos, considerando toda a parte elétrica, é fundamental saber exatamente onde instalar o DPS e o dispositivo de desconexão — ou seja, o disjuntor. O ideal, então, é colocar o DPS antes do disjuntor geral, para que seja assegurada a continuidade do serviço: mesmo com a falha do primeiro, o segundo continua a funcionar. Contudo, também é possível instalar o DPS depois do disjuntor geral, de forma que, nessa posição, a falha do primeiro desative o segundo e ocasione a interrupção da alimentação do circuito — que ficará desligado até o dispositivo de proteção contra surtos ser substituído corretamente.
ÓRGÃOS REGULARMENTADORES E FISCALIZADORES
Corpo de Bombeiros de SP
CREA-SP
Associação Brasileira de Normas Técnicas
Prefeitura de São Paulo - CONTRU-SP
Fale com a Prelserv
Solicite visita técnica especializada.

Para solicitar serviços à PRELSERV Serviços basta ligar ou enviar mensagem para (11) 99023-6484 ou preencher nosso formulário de contato que mandaremos um técnico até o local e fará um levantamento com os dados coletados em campo,  visando levantar as necessidades de proteção e ou condições dos atuais sistemas e confrontá-los com os padrões técnicos da norma vigente, constatando todas as informações técnicas, especificações, subsídios, definições e recomendações para o seu completo entendimento.

Posteriormente enviaremos uma Proposta Técnica de Adequação e Instalação, para que fique de acordo com norma vigente.
(11) 99023-6484
Especializados em para-raios
© 2024 Copyright - PRELSERV Serviços - todos os direitos reservados

Produzido por
logotipo-Ophicina